Electronics & Communication Gate Yearwise
Electronics and Communication Gate 2018 Questions with Answer
Ques 53 GATE 2018
A coastal region with unparalleled beauty is home to many species of animals. It is dotted with coral reefs and unspoilt white sandy beaches. It has remained inaccessible to tourists due to poor connectivity and lack of accommodation. A company has spotted the opportunity and is planning to develop a luxury resort with helicopter service to the nearest major city airport. Environmentalists are upset that this would lead to the region becoming crowded and polluted like any other major beach resorts. Which one of the following statements can be logically inferred from the information given in the above paragraph?
Ques 54 GATE 2018
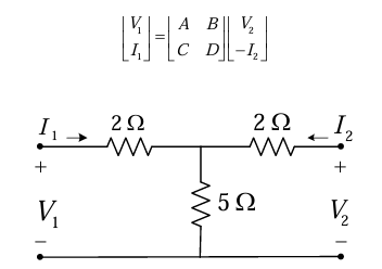
The ABCD matrix for a two-port network is defined by:

Ques 55 GATE 2018
For the circuit given in the figure, the voltage Vc (in volts) across the capacitor is

Ques 56 GATE 2018
For the circuit given in the figure, the magnitude of the loop current (in amperes, correct to three decimal places) 0.5 second after closing the switch is

Ques 57 GATE 2018
Consider the network shown below with R1=1Ω, R2=2Ω and R3=3Ω. The network is connected to a constant voltage source of 11V.

Ques 58 GATE 2018
Let X1, X2, X3 and X4 be independent normal random variables with zero mean and unit variance. The probability that X4 is the smallest among the four is
Ques 59 GATE 2018
A random variable X takes values -0.5 and 0.5 with probabilities 1/4 and 3/4, respectively. The noisy observation of X is Y=X+Z where Z has uniform probability density over the interval (-1, 1). X and Z are independent. If the MAP rule based detector outputs

Ques 60 GATE 2018
Consider a white Gaussian noise process N(t) with two-sided power spectral density SN(f)=0.5 W/Hz as input to a filter with impulse response 0.5e-t2/2 (where t is in seconds) resulting in output Y(t). The power in Y(t) in watts is
Ques 61 GATE 2018
A discrete-time all-pass system has two of its poles at 0.25∠0° and 2∠30°. Which one of the following statements about the system is TRUE?
Ques 62 GATE 2018
Let x(t) be a periodic function with period T=10. The Fourier series coefficients for this series are denoted by ak, that is x(t)=∑k=-∞∞akejk(2π/T)t. The same function x(t) can also be considered as a periodic function with period T'=40. Let bk be the Fourier series coefficients when period is taken as T'. If ∑k=-∞∞|ak|=16 then ∑k=-∞∞|bk| is equal to
Ques 63 GATE 2018
The input 4sinc(2t) is fed to a Hilbert transformer to obtain y(t), as shown in the figure below: Here sinc(x)=sin(πx)/(πx).

Ques 64 GATE 2018
A band limited low-pass signal x(t) of bandwidth 5 kHz is sampled at a sampling rate fs. The signal x(t) is reconstructed using the reconstruction filter H(f) whose magnitude response is shown below:

Ques 65 GATE 2018
Let X[k]=k+1, 0≤k≤7 be 8-point DFT of a sequence x[n], where X[k]=∑n=0N-1x[n]e-j2πnk/N. The value (correct to two decimal places) of ∑n=03x[2n] is
Total Unique Visitors