Electronics & Communication Gate Yearwise
Electronics and Communication Gate 2025 Questions with Answer
Ques 1 GATE 2025
Consider a part of an electrical network as shown below. Some node voltages, and the current flowing through the 3Ω resistor are as indicated.
The voltage (in Volts) at node X is

Ques 2 GATE 2025
Let iC, iL, and iR be the currents flowing through the capacitor, inductor, and resistor, respectively, in the circuit given below. The AC admittances are given in Siemens (S).
Which one of the following is TRUE?

Ques 3 GATE 2025
In the circuit below, M1 is an ideal AC voltmeter and M2 is an ideal AC ammeter.
The source voltage (in Volts) is vs(t)=100 cos(200t)
What should be the value of the variable capacitor C such that the RMS readings on M1 and M2 are 25 V and 5 A, respectively?

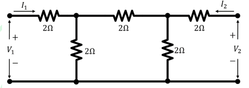
Ques 4 GATE 2025
The Z-parameter matrix of a two port network relates the port voltages and port currents as follows: [(V1); (V2)] = Z [(I1); (I2)]
The Z-parameter matrix (with each entry in Ohms) of the network shown below is

Ques 5 GATE 2025
Two resistors are connected in a circuit loop of area 5 m2, as shown in the figure below. The circuit loop is placed on the x-y plane.
When a time-varying magnetic flux, with flux-density B(t)=0.5t (in Tesla), is applied along the positive z-axis, the magnitude of current I (in Amperes, rounded off to two decimal places) in the loop is

Ques 6 GATE 2025
Consider a frequency-modulated (FM) signal
f(t)=Accos(2πfct+3 sin(2πf1t)+4 sin(6πf1t)).
where Ac and fc are, respectively, the amplitude and frequency (in Hz) of the carrier waveform. The frequency f1 is in Hz, and assume that fc>100f1.
The peak frequency deviation of the FM signal in Hz is
Ques 7 GATE 2025
Consider an additive white Gaussian noise (AWGN) channel with bandwidth W and noise power spectral density N0/2. Let Pav denote the average transmit power constraint.
Which one of the following plots illustrates the dependence of the channel capacity C on the bandwidth W (keeping Pav and N0 fixed)?
Ques 8 GATE 2025
Consider a message signal m(t) which is bandlimited to [-W, W], where W is in Hz. Consider the following two modulation schemes for the message signal:
Double sideband-suppressed carrier (DSB-SC): fDSB(t)=Acm(t)cos(2πfct)
Amplitude modulation (AM): fAM(t)=Ac(1+μm(t))cos(2πfct)
Here, Ac and fc are the amplitude and frequency (in Hz) of the carrier, respectively. In the case of AM, μ denotes the modulation index.
Consider the following statements:
(i) An envelope detector can be used for demodulation in the DSB-SC scheme if m(t)>0 for all t.
(ii) An envelope detector can be used for demodulation in the AM scheme only if m(t)>0 for all t.
Which of the following options is/are correct?
Ques 9 GATE 2025
The generator matrix of a (6,3) binary linear block code is given by

Ques 10 GATE 2025
A source transmits symbol S that takes values uniformly at random from the set {-2,0,2}. The receiver obtains Y=S+N, where N is a zero-mean Gaussian random variable independent of S. The receiver uses the maximum likelihood decoder to estimate the transmitted symbol S.
Suppose the probability of symbol estimation error Pe is expressed as follows:
Pe=α P(N>1),
where P(N>1) denotes the probability that N exceeds 1.
What is the value of α ?
Ques 11 GATE 2025
The random variable X takes values in {-1,0,1} with probabilities P(X=-1)=P(X=1)=α and P(X=0)=1-2α, where 0<α<1/2.
Let g(α) denote the entropy of X (in bits), parameterized by α.
Which of the following statements is/are TRUE?
Ques 12 GATE 2025
X and Y are Bernoulli random variables taking values in {0,1}. The joint probability mass function of the random variables is given by:
P(X=1,Y=1)=0.56
P(X=0,Y=0)=0.06
P(X=0,Y=1)=0.14
P(X=1,Y=0)=0.24
The mutual information I(X;Y) is ______ (rounded off to two decimal places).
Ques 13 GATE 2025
The Nyquist plot of a system is given in the figure below. Let ωP, ωQ, ωR, and ωS be the positive frequencies at the points P, Q, R, and S, respectively.
Which one of the following statements is TRUE?

Total Unique Visitors