Electronics & Communication Gate Yearwise
Electronics and Communication Gate 2014 Set-3 Questions with Answer
Ques 1 GATE 2014 SET-3
The desirable characteristics of a transconductance amplifier are
Ques 2 GATE 2014 SET-3
In the circuit shown, the PNP transistor has |VBE| = 0.7 V and β = 50. Assume that RB = 100 kΩ. For VO to be 5 V, the value of RC (in kΩ) is _______

Ques 3 GATE 2014 SET-3
The figure shows a half-wave rectifier. The diode D is ideal. The average steady-state current (in mA) through the diode is approximately ____________.

Ques 4 GATE 2014 SET-3
An analog voltage in the range 0 to 8 V is divided in 16 equal intervals for conversion to 4-bit digital output. The maximum quantization error (in V) is _________
Ques 5 GATE 2014 SET-3
In the circuit shown, the silicon BJT has β = 50. Assume VBE = 0.7 V and VCE(sat) = 0.2 V.

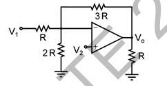
Ques 6 GATE 2014 SET-3
Assuming that the Op-amp in the circuit shown is ideal, Vo is given by

Ques 7 GATE 2014 SET-3
For the MOSFET M1 shown in the figure, assume W/L = 2, VDD = 2.0 V, μnCox = 100 μA/V2 and VTH = 0.5 V. The transistor M1 switches from saturation region to linear region when Vin (in Volts) is__________.

Ques 8 GATE 2014 SET-3
The phase response of a passband waveform at the receiver is given by
φ(f) = −2πα(f − fc) − 2πβfc
where fc is the centre frequency, and α and β are positive constants. The actual signal propagation delay from the transmitter to receiver is
Ques 9 GATE 2014 SET-3
Consider an FM signal f(t) = cos[2πfct + β1sin 2πf1t + β2sin 2πf2t]. The maximum deviation of the instantaneous frequency from the carrier frequency fc is
Ques 10 GATE 2014 SET-3
Let X(t) be a wide sense stationary (WSS) random process with power spectral density SX(f). If Y(t) is the process defined as Y(t) = X(2t − 1), the power spectral density SY(f) is
Ques 11 GATE 2014 SET-3
A real band-limited random process X(t) has two-sided power spectral density

Ques 12 GATE 2014 SET-3
In a PCM system, the signal m(t) = {sin(100πt) + cos(100πt)} V is sampled at the Nyquist rate. The samples are processed by a uniform quantizer with step size 0.75 V. The minimum data rate of the PCM system in bits per second is _____.
Ques 13 GATE 2014 SET-3
A binary random variable X takes the value of 1 with probability 1/3. X is input to a cascade of 2 independent identical binary symmetric channels (BSCs) each with crossover probability 1/2.

Total Unique Visitors