Electronics & Communication Gate Yearwise
Electronics and Communication Gate 2014 Set-4 Questions with Answer
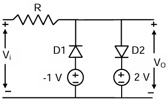
Ques 1 GATE 2014 SET-4
If the emitter resistance in a common-emitter voltage amplifier is not bypassed, it will
Ques 2 GATE 2014 SET-4
Two silicon diodes, with a forward voltage drop of 0.7 V, are used in the circuit shown in the figure. The range of input voltage Vi for which the output voltage Vo = Vi, is

Ques 3 GATE 2014 SET-4
The circuit shown represents

Ques 4 GATE 2014 SET-4
For a given sample-and-hold circuit, if the value of the hold capacitor is increased, then
Ques 5 GATE 2014 SET-4
Consider the common-collector amplifier in the figure (bias circuitry ensures that the transistor operates in forward active region, but has been omitted for simplicity). Let IC be the collector current, VBE be the base-emitter voltage and VT be the thermal voltage. Also, gm and ro are the small-signal transconductance and output resistance of the transistor, respectively. Which one of the following conditions ensures a nearly constant small signal voltage gain for a wide range of values of RE?

Ques 6 GATE 2014 SET-4
A BJT in a common-base configuration is used to amplify a signal received by a 50 Ω antenna. Assume kT/q = 25 mV. The value of the collector bias current (in mA) required to match the input impedance of the amplifier to the impedance of the antenna is________.
Ques 7 GATE 2014 SET-4
For the common collector amplifier shown in the figure, the BJT has high β, negligible VCE(sat), and VBE = 0.7 V. The maximum undistorted peak-to-peak output voltage vo (in Volts) is _______.

Ques 8 GATE 2014 SET-4
If calls arrive at a telephone exchange such that the time of arrival of any call is independent of the time of arrival of earlier or future calls, the probability distribution function of the total number of calls in a fixed time interval will be
Ques 9 GATE 2014 SET-4
In a double side-band (DSB) full carrier AM transmission system, if the modulation index is doubled, then the ratio of total sideband power to the carrier power increases by a factor of ______.
Ques 10 GATE 2014 SET-4
Consider a communication scheme where the binary valued signal X satisfies P{X = +1} = 0.75 and P{X = −1} = 0.25. The received signal Y = X + Z, where Z is a Gaussian random variable with zero mean and variance σ2. The received signal Y is fed to the threshold detector. The output of the threshold detector X̂ is:
X̂ = +1 if Y > τ, −1 if Y ≤ τ.
To achieve a minimum probability of error P(X̂ ≠ X), the threshold τ should be
Ques 11 GATE 2014 SET-4
Consider the Z-channel given in the figure. The input is 0 or 1 with equal probability.

Ques 12 GATE 2014 SET-4
An M-level PSK modulation scheme is used to transmit independent binary digits over a band-pass channel with bandwidth 100 kHz. The bit rate is 200 kbps and the system characteristic is a raised-cosine spectrum with 100% excess bandwidth. The minimum value of M is ________.
Ques 13 GATE 2014 SET-4
Consider a discrete-time channel Y = X + Z, where the additive noise Z is signal-dependent. In particular, given the transmitted symbol X ∈ {−a, +a} at any instant, the noise sample Z is chosen independently from a Gaussian distribution with mean βX and unit variance. Assume a threshold detector with zero threshold at the receiver. When β = 0, the BER was found to be Q(a) = 1 × 10−8. (Q(v) = (1/√2π)∫v∞ e−u2/2du, and for v > 1, use Q(v) ≈ e−v2/2). When β = −0.3, the BER is closest to
Total Unique Visitors