Electronics & Communication Gate Yearwise
Electronics and Communication Gate 2014 Set-1 Questions with Answer
Ques 1 GATE 2014 SET-1
A good current buffer has
Ques 2 GATE 2014 SET-1
In the ac equivalent circuit shown in the figure, if iin is the input current and RF is very large, the type of feedback is

Ques 3 GATE 2014 SET-1
In the low-pass filter shown in the figure, for a cut-off frequency of 5 kHz, the value of R2 (in kΩ) is _____________.

Ques 4 GATE 2014 SET-1
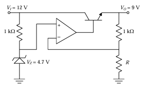
In the voltage regulator circuit shown in the figure, the op-amp is ideal. The BJT has VBE = 0.7 V and β = 100, and the zener voltage is 4.7 V. For a regulated output of 9 V, the value of R (in Ω) is _______.

Ques 5 GATE 2014 SET-1
In the circuit shown, the op-amp has finite input impedance, infinite voltage gain and zero input offset voltage. The output voltage Vout is

Ques 6 GATE 2014 SET-1
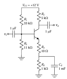
For the amplifier shown in the figure, the BJT parameters are VBE = 0.7 V, β = 200, and thermal voltage VT = 25 mV. The voltage gain (vo/vi) of the amplifier is _______ .

Ques 7 GATE 2014 SET-1
In a code-division multiple access (CDMA) system with N = 8 chips, the maximum number of users who can be assigned mutually orthogonal signature sequences is ________
Ques 8 GATE 2014 SET-1
The capacity of a Binary Symmetric Channel (BSC) with cross-over probability 0.5 is ________
Ques 9 GATE 2014 SET-1
Consider a random process X(t) = √2 sin(2πt + φ), where the random phase φ is uniformly distributed in the interval [0,2π]. The auto-correlation E[X(t1)X(t2)] is
Ques 10 GATE 2014 SET-1
Let Q(√γ) be the BER of a BPSK system over an AWGN channel with two-sided noise power spectral density N0/2. The parameter γ is a function of bit energy and noise power spectral density. A system with two independent and identical AWGN channels with noise power spectral density N0/2 is shown in the figure.

Ques 11 GATE 2014 SET-1
A fair coin is tossed repeatedly until a 'Head' appears for the first time. Let L be the number of tosses to get this first 'Head'. The entropy H(L) in bits is ________.
Ques 12 GATE 2014 SET-1
The forward path transfer function of a unity negative feedback system is given by
G(s) = K/[(s + 2)(s - 1)]
The value of K which will place both the poles of the closed-loop system at the same location, is ______ .
Ques 13 GATE 2014 SET-1
Consider the feedback system shown in the figure. The Nyquist plot of G(s) is also shown. Which one of the following conclusions is correct?

Total Unique Visitors