Electronics & Communication Gate Yearwise
Electronics and Communication GATE 2023 Questions with Answer
Ques 1 Analog Circuits
A cascade of common-source amplifiers in a unity gain feedback configuration oscillates when
Ques 2 Analog Circuits
The VOUT/VIN of the circuit shown below is

Ques 3 Analog Circuits
In the circuit shown below, D1 and D2 are silicon diodes with cut-in voltage of 0.7 V. VIN and VOUT are input and output voltages in volts. The transfer characteristic is

Ques 4 Communication Systems
Let a frequency modulated (FM) signal
x(t) = A cos(ωct + kf ∫t-∞m(λ)dλ) where m(t) is a message signal of bandwidth W. It is passed through a non-linear system with output y(t) = 2x(t) + 5(x(t))2. Let BT denote the FM bandwidth. The minimum value of ωc required to recover x(t) from y(t) is
Ques 5 Control Systems
The open loop transfer function of a unity negative feedback system is G(s) = k/s(1 + sT1)(1 + sT2). where k, T1 and T2 are positive constants. The phase cross-over frequency, in rad/s, is
Ques 6 Control Systems
A closed loop system is shown in the figure where k>0 and α>0. The steady state error due to a ramp input (R(s) = α/s2) is given by

Ques 7 Control Systems
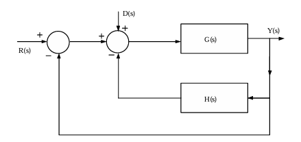
In the following block diagram, R(s) and D(s) are two inputs. The output Y(s) is expressed as Y(s) = G1(s)R(s) + G2(s)D(s). G1(s) and G2(s) are given by

Ques 8 Control Systems
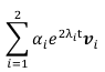
The state equation of a second order system is
x(t) = Ax(t), x(0) is the initial condition.
Suppose λ1 and λ2 are two distinct eigenvalues of A and v1 and v2 are the corresponding eigenvectors. For constants α1 and α2, the solution, x(t), of the state equation is
Ques 9 Control Systems
The asymptotic magnitude Bode plot of a minimum phase system is shown in the figure. The transfer function of the system is H(s) = k(s + z)a/sb(s + p)c where k, z, p, a, b, c are positive constants. The value of (a + b + c) is ____ (rounded off to the nearest integer).

3 is the correct answer.
Ques 10 Digital Circuits
In the circuit shown below, P and Q are the inputs. The logical function realized by the circuit shown below is

Ques 11 Digital Circuits
The synchronous sequential circuit shown below works at a clock frequency of 1 GHz. The throughput, in Mbits/s, and the latency, in ns, respectively, are

Ques 12 Digital Circuits
For the circuit shown below, the propagation delay of each NAND gate is 1 ns. The critical path delay, in ns, is ____ (rounded off to the nearest integer).

3 is the correct answer.
Ques 13 Digital Circuits
In a given sequential circuit, initial states are Q1 = 1 and Q2 = 0. For a clock frequency of 1 MHz, the frequency of signal Q2 in kHz, is ____ (rounded off to the nearest integer).

250 is the correct answer.

Total Unique Visitors