Electronics & Communication Gate Yearwise
Electronics and Communication Gate 2014 Set-3 Questions with Answer
Ques 53 GATE 2014 SET-3
A batch of one hundred bulbs is inspected by testing four randomly chosen bulbs. The batch is rejected if even one of the bulbs is defective. A batch typically has five defective bulbs. The probability that the current batch is accepted is
Ques 54 GATE 2014 SET-3
A series RC circuit is connected to a DC voltage source at time t = 0. The relation between the source voltage VS, the resistance R, the capacitance C, and the current i(t) is given below:
VS = Ri(t) + (1/C)∫i(u)du from 0 to t.
Which one of the following represents the current i(t)?
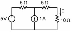
Ques 55 GATE 2014 SET-3
In the figure shown, the value of the current I (in Amperes) is __________.

Ques 56 GATE 2014 SET-3
Consider the building block called 'Network N' shown in the figure. Let C = 100 μF and R = 10 kΩ.


Ques 57 GATE 2014 SET-3
In the circuit shown in the figure, the value of node voltage V2 is

Ques 58 GATE 2014 SET-3
In the circuit shown in the figure, the angular frequency ω (in rad/s), at which the Norton equivalent impedance as seen from terminals b-b′ is purely resistive, is _________.

Ques 59 GATE 2014 SET-3
For the Y-network shown in the figure, the value of R1 (in Ω) in the equivalent Δ-network is ____.

Ques 60 GATE 2014 SET-3
Let x(t) = cos(10πt) + cos(30πt) be sampled at 20 Hz and reconstructed using an ideal low-pass filter with cut-off frequency of 20 Hz. The frequency/frequencies present in the reconstructed signal is/are
Ques 61 GATE 2014 SET-3
For an all-pass system H(z) = (z−1 − b)/(1 − az−1), where |H(e−jω)| = 1, for all ω. If Re(a) ≠ 0, Im(a) ≠ 0, then b equals
Ques 62 GATE 2014 SET-3
A modulated signal is y(t) = m(t)cos(40000πt), where the baseband signal m(t) has frequency components less than 5 kHz only. The minimum required rate (in kHz) at which y(t) should be sampled to recover m(t) is _______.
Ques 63 GATE 2014 SET-3
Let H1(z) = (1 − pz−1)−1, H2(z) = (1 − qz−1)−1, H(z) = H1(z) + rH2(z). The quantities p, q, r are real numbers. Consider p = 1/2, q = −1/4, |r| < 1. If the zero of H(z) lies on the unit circle, then r = ________
Ques 64 GATE 2014 SET-3
Let h(t) denote the impulse response of a causal system with transfer function 1/(s+1). Consider the following three statements.
S1: The system is stable.
S2: h(t+1)/h(t) is independent of t for t > 0.
S3: A non-causal system with the same transfer function is stable.
For the above system,
Ques 65 GATE 2014 SET-3
The z-transform of the sequence x[n] is given by X(z) = 1/(1−2z−1)2, with the region of convergence |z| > 2. Then, x[2] is ________.
Total Unique Visitors