Electronics & Communication Gate Yearwise
Electronics and Communication Gate 2018 Questions with Answer
Ques 14 GATE 2018
The logic gates shown in the digital circuit below use strong pull-down nMOS transistors for LOW logic level at the outputs. When the pull-downs are off, high-value resistors set the output logic levels to HIGH (i.e. the pull-ups are weak). Note that some nodes are intentionally shorted to implement wired logic. Such shorted nodes will be HIGH only if the outputs of all the gates whose outputs are shorted are HIGH. The number of distinct values of X3X2X1X0 (out of the 16 possible values) that give Y=1 is

Ques 15 GATE 2018
Consider a binary channel code in which each codeword has a fixed length of 5 bits. The Hamming distance between any pair of distinct codewords in this code is at least 2. The maximum number of codewords such a code can contain is
Ques 16 GATE 2018
A binary source generates symbols X∈{-1,1} which are transmitted over a noisy channel. The probability of transmitting X=1 is 0.5. Input to the threshold detector is R=X+N.

Ques 17 GATE 2018
The points P, Q, and R shown on the Smith chart (normalized impedance chart) in the following figure represent:

Ques 18 GATE 2018
A lossy transmission line has resistance per unit length R=0.05Ω/m. The line is distortionless and has characteristic impedance of 50Ω. The attenuation constant (in Np/m, correct to three decimal places) of the line is
Ques 19 GATE 2018
The distance (in meters) a wave has to propagate in a medium having a skin depth of 0.1 m so that the amplitude of the wave attenuates by 20 dB, is
Ques 20 GATE 2018
The cutoff frequency of TE01 mode of an air filled rectangular waveguide having inner dimensions a cm×b cm (a>b) is twice that of the dominant TE10 mode. When the waveguide is operated at a frequency which is 25% higher than the cutoff frequency of the dominant mode, the guide wavelength is found to be 4 cm. The value of b (in cm, correct to two decimal places) is
Ques 21 GATE 2018
A uniform plane wave traveling in free space and having the electric field E=(√2âx-âz)cos[6√3π×108t-2π(x+√2z)]V/m is incident on a dielectric medium (relative permittivity > 1, relative permeability = 1) as shown in the figure and there is no reflected wave.

Ques 22 GATE 2018
In the circuit shown below, the op-amp is ideal and Zener voltage of the diode is 2.5 volts. At the input, unit step voltage is applied, i.e. vIN(t)=u(t) volts. Also, at t=0, the voltage across each of the capacitors is zero.

Ques 23 GATE 2018
A good transimpedance amplifier has
Ques 24 GATE 2018
The circuit shown in the figure is used to provide regulated voltage (5 V) across the 1KΩ resistor. Assume that the Zener diode has a constant reverse breakdown voltage for a current range, starting from a minimum required Zener current, IZmin=2mA to its maximum allowable current. The input voltage VI may vary by 5% from its nominal value of 6 V. The resistance of the diode in the breakdown region is negligible.

Ques 25 GATE 2018
A dc current of 26 μA flows through the circuit shown. The diode in the circuit is forward biased and it has an ideality factor of one. At the quiescent point, the diode has a junction capacitance of 0.5 nF. Its neutral region resistances can be neglected. Assume that the room temperature thermal equivalent voltage is 26 mV.

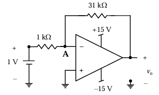
Ques 26 GATE 2018
An op-amp based circuit is implemented as shown below. In the above circuit, assume the op-amp to be ideal. The voltage (in volts, correct to one decimal place) at node A, connected to the negative input of the op-amp as indicated in the figure is

Total Unique Visitors