Electronics & Communication Gate Yearwise
Electronics and Communication Gate 2015 Set-3 Questions with Answer
Ques 14 GATE 2015 SET-3
A network is described by the state model as
ẋ1 = 2x1 - x2 + 3u
ẋ2 = -4x2 - u
y = 3x1 - 2x2
The transfer function H(s) (= Y(s)/U(s)) is
Ques 15 GATE 2015 SET-3
The position control of a DC servo-motor is given in the figure. The values of the parameters are KT=1 N-m/A, Ra=1Ω, La=0.1H, J=5kg-m2, B=1 N-m/(rad/sec) and Kb=1V/(rad/sec). The steady-state position response (in radians) due to unit impulse disturbance torque Td is __________.

Ques 16 GATE 2015 SET-3
For the system shown in the figure, s = -2.75 lies on the root locus if K is __________.

Ques 17 GATE 2015 SET-3
The characteristic equation of an LTI system is given by F(s) = s5 + 2s4 + 3s3 + 6s2 - 4s - 8 = 0. The number of roots that lie strictly in the left half s-plane is __________.
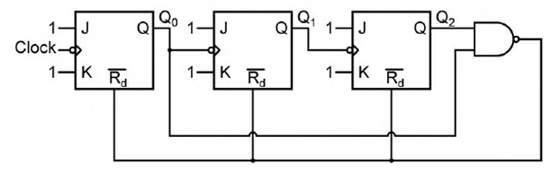
Ques 18 GATE 2015 SET-3
The circuit shown consists of J-K flip-flops, each with an active low asynchronous reset (Rd input). The counter corresponding to this circuit is

Ques 19 GATE 2015 SET-3
In the circuit shown, diodes D1, D2 and D3 are ideal, and the inputs E1, E2 and E3 are "0 V" for logic '0' and "10 V" for logic '1'. What logic gate does the circuit represent?

Ques 20 GATE 2015 SET-3
Which one of the following 8085 microprocessor programs correctly calculates the product of two 8-bit numbers stored in registers B and C?
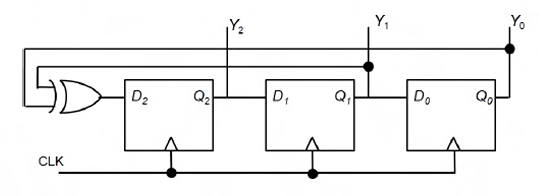
Ques 21 GATE 2015 SET-3
A three bit pseudo random number generator is shown. Initially the value of output Y ≡ Y2 Y1 Y0 is set to 111. The value of output Y after three clock cycles is

Ques 22 GATE 2015 SET-3
A universal logic gate can implement any Boolean function by connecting sufficient number of them appropriately. Three gates are shown.

Ques 23 GATE 2015 SET-3
A universal logic gate can implement any Boolean function by connecting sufficient number of them appropriately. Three gates are shown.

Ques 24 GATE 2015 SET-3
An SR latch is implemented using TTL gates as shown in the figure. The set and reset pulse inputs are provided using the push-button switches. It is observed that the circuit fails to work as desired. The SR latch can be made functional by changing

Ques 25 GATE 2015 SET-3
The directivity of an antenna array can be increased by adding more antenna elements, as a larger number of elements
Ques 26 GATE 2015 SET-3
A coaxial cable is made of two brass conductors. The spacing between the conductors is filled with Teflon (εr=2.1, tan δ=0). Which one of the following circuits can represent the lumped element model of a small piece of this cable having length Δz?
Total Unique Visitors