Electronics & Communication Gate Yearwise
Electronics and Communication Gate 2014 Set-2 Questions with Answer
Ques 53 GATE 2014 SET-2
The total exports and revenues from the exports of a country are given in the two charts shown. The pie chart for exports shows the quantity of each item exported as a percentage of the total quantity of exports. The pie chart for the revenues shows the percentage of the total revenue generated through export of each item. The total quantity of exports of all the items is 500 thousand tonnes and the total revenues are 250 crore rupees. Which item among the following has generated the maximum revenue per kg?

Ques 54 GATE 2014 SET-2
It takes 30 minutes to empty a half-full tank by draining it at a constant rate. It is decided to simultaneously pump water into the half-full tank while draining it. What is the rate at which water has to be pumped in so that it gets fully filled in 10 minutes?
Ques 55 GATE 2014 SET-2
Norton's theorem states that a complex network connected to a load can be replaced with an equivalent impedance
Ques 56 GATE 2014 SET-2
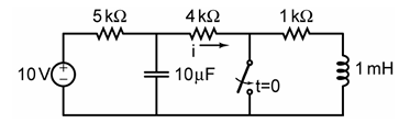
In the figure shown, the ideal switch has been open for a long time. If it is closed at t = 0, then the magnitude of the current (in mA) through the 4 kΩ resistor at t = 0+ is _______.

Ques 57 GATE 2014 SET-2
A series LCR circuit is operated at a frequency different from its resonant frequency. The operating frequency is such that the current leads the supply voltage. The magnitude of current is half the value at resonance. If the values of L, C and R are 1 H, 1 F and 1 Ω, respectively, the operating angular frequency (in rad/s) is ________.
Ques 58 GATE 2014 SET-2
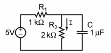
In the h-parameter model of the 2-port network given in the figure shown, the value of h22 (in S) is ______ .

Ques 59 GATE 2014 SET-2
In the figure shown, the capacitor is initially uncharged. Which one of the following expressions describes the current I(t) (in mA) for t > 0?

Ques 60 GATE 2014 SET-2
In the magnetically coupled circuit shown in the figure, 56 % of the total flux emanating from one coil links the other coil. The value of the mutual inductance (in H) is ______ .

Ques 61 GATE 2014 SET-2
Consider a discrete-time signal
x[n] = n for 0 ≤ n ≤ 10
x[n] = 0 otherwise.
If y[n] is the convolution of x[n] with itself, the value of y[4] is _________.
Ques 62 GATE 2014 SET-2
The input-output relationship of a causal stable LTI system is given as
y[n] = α y[n - 1] + β x[n]
If the impulse response h[n] of this system satisfies the condition Σh[n] = 2 (from n=0 to ∞), the relationship between α and β is
Ques 63 GATE 2014 SET-2
The value of the integral ∫-∞∞ sinc2(5t) dt is ________.
Ques 64 GATE 2014 SET-2
An FIR system is described by the system function
H(z) = 1 + (7/2) z-1 + (3/2) z-2
The system is
Ques 65 GATE 2014 SET-2
Let x[n] = x[-n]. Let X(z) be the z-transform of x[n]. If 0.5 + j 0.25 is a zero of X(z), which one of the following must also be a zero of X(z).
Total Unique Visitors