Electronics & Communication Gate Yearwise
Electronics and Communication Gate 2014 Set-2 Questions with Answer
Ques 14 GATE 2014 SET-2
The natural frequency of an undamped second-order system is 40 rad/s. If the system is damped with a damping ratio 0.3, the damped natural frequency in rad/s is ________.
Ques 15 GATE 2014 SET-2
For the following system, when X1(s) = 0, the transfer function Y(s)/X2(s) is

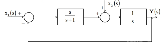
Ques 16 GATE 2014 SET-2
For the following system, when X1(s) = 0, the transfer function Y(s)/X2(s) is

Ques 17 GATE 2014 SET-2
In the circuit shown, choose the correct timing diagram of the output (y) from the given waveforms W1, W2, W3 and W4.

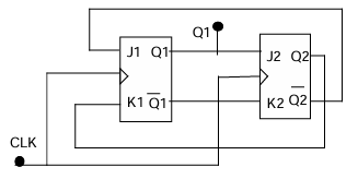
Ques 18 GATE 2014 SET-2
The outputs of the two flip-flops Q1, Q2 in the figure shown are initialized to 0, 0. The sequence generated at Q1 upon application of clock signal is

Ques 19 GATE 2014 SET-2
For the 8085 microprocessor, the interfacing circuit to input 8-bit digital data (DI0 – DI7) from an external device is shown in the figure. The instruction for correct data transfer is

Ques 20 GATE 2014 SET-2
For an n-variable Boolean function, the maximum number of prime implicants is
Ques 21 GATE 2014 SET-2
The number of bytes required to represent the decimal number 1856357 in packed BCD (Binary Coded Decimal) form is __________ .
Ques 22 GATE 2014 SET-2
In a half-subtractor circuit with X and Y as inputs, the Borrow (M) and Difference (N = X - Y) are given by
Ques 23 GATE 2014 SET-2
If the electric field of a plane wave is
E(z, t) = x̂3cos(ωt - kz + 30°) - ŷ4sin(ωt - kz + 45°) (mV/m),
the polarization state of the plane wave is
Ques 24 GATE 2014 SET-2
In the transmission line shown, the impedance Zin (in ohms) between node A and the ground is _________.

Ques 25 GATE 2014 SET-2
For a rectangular waveguide of internal dimensions a × b (a > b), the cut-off frequency for the TE11 mode is the arithmetic mean of the cut-off frequencies for TE10 mode and TE20 mode. If a = √5 cm, the value of b (in cm) is _____.
Ques 26 GATE 2014 SET-2
To maximize power transfer, a lossless transmission line is to be matched to a resistive load impedance via a λ/4 transformer as shown. The characteristic impedance (in Ω) of the λ/4 transformer is _________.

Total Unique Visitors