Electronics & Communication Gate Yearwise
Electronics and Communication Gate 2020 Questions with Answer
Ques 53 GATE 2020
A circle with centre O is shown in the figure.
A rectangle PQRS of maximum possible area is inscribed in the circle.
If the radius of the circle is a, then the area of the shaded portion is

Ques 54 GATE 2020
a, b, c are real numbers. The quadratic equation ax²-bx+c=0 has equal roots, which is β, then
Ques 55 GATE 2020
The following figure shows the data of students enrolled in 5 years (2014 to 2018) for two schools P and Q. During this period, the ratio of the average number of the students enrolled in school P to the average of the difference of the number of students enrolled in schools P and Q is

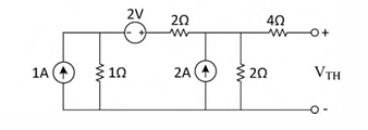
Ques 56 GATE 2020
In the circuit shown below, the Thevenin voltage VTH is

Ques 57 GATE 2020
In the given circuit, the two-port network has the impedance matrix
[Z]=[40 60
60 120]
The value of ZL for which maximum power is transferred to the load is ______ Ω.

Ques 58 GATE 2020
The current in the RL-circuit shown below is i(t)=10 cos(5t-π/4) A.
The value of the inductor (rounded off to two decimal places) is _______ H.

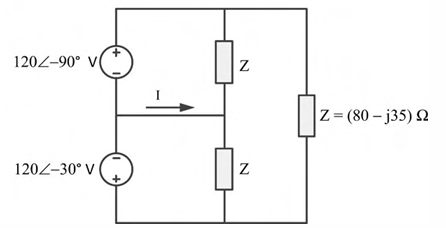
Ques 59 GATE 2020
The current I in the given network is

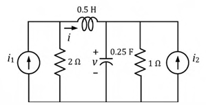
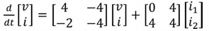
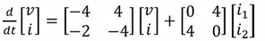
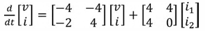
Ques 60 GATE 2020
For the given circuit, which one of the following is the correct state equation?

Ques 61 GATE 2020
The output y[n] of a discrete-time system for an input x[n] is y[n]=max₋∞≤k≤n |x[k]|. The unit impulse response of the system is
Ques 62 GATE 2020
Which one of the following pole-zero plots corresponds to the transfer function of an LTI system characterized by the input-output difference equation given below?
y[n]=∑k=0³ (-1)ᵏx[n-k]
Ques 63 GATE 2020
A finite duration discrete-time signal x[n] is obtained by sampling the continuous-time signal x(t)=cos(200πt) at sampling instants t=n/400, n=0,1,...,7. The 8-point discrete Fourier transform (DFT) of x[n] is defined as

Ques 64 GATE 2020
X(ω) is the Fourier transform of x(t) shown below. The value of ∫-∞∞ |X(ω)|² dw (rounded off to two decimal places) is

Ques 65 GATE 2020
The transfer function of a stable discrete-time LTI system is H(z)=K(z-α)/(z+0.5), where K and α are real numbers. The value of α (rounded off to one decimal place) with |α|>1 for which the magnitude response of the system is constant over all frequencies, is
Total Unique Visitors