Electronics & Communication Gate Yearwise
Electronics and Communication Gate 2019 Questions with Answer
Ques 27 GATE 2019
In the circuit shown, Vs is a 10 V square wave of period, T=4 ms with R=500 Ω and C=10 μF. The capacitor is initially uncharged at t=0, and the diode is assumed to be ideal. The voltage across the capacitor (Vc) at 3 ms is equal to... volts (rounded off to one decimal place).

Ques 28 GATE 2019
Which one of the following options describes correctly the equilibrium band diagram at T=300 K of a Silicon pmn+p++ configuration shown in the figure?

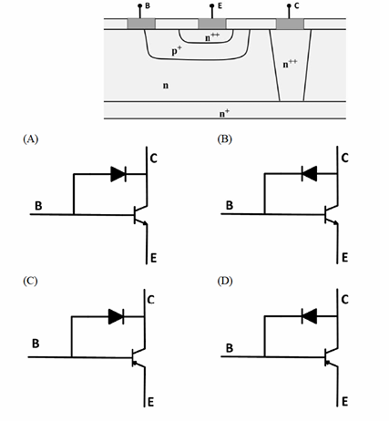
Ques 29 GATE 2019
The correct circuit representation of the structure shown in the figure is

Ques 30 GATE 2019
The figure shows the high-frequency C-V curve of a MOS capacitor (at T=300 K) with Φms=0 V and no oxide charges. The flat-band, inversion, and accumulation conditions are represented, respectively, by the points

Ques 31 GATE 2019
The quantum efficiency (η) and responsivity (R) at a wavelength λ(in μm) in a p-i-n photodetector are related by
Ques 32 GATE 2019
A Germanium sample of dimensions 1 cm × 1 cm is illuminated with a 20 mW, 600 nm laser light source as shown in the figure. The illuminated sample surface has a 100 nm of loss-less Silicon dioxide layer that reflects one-fourth of the incident light. From the remaining light, one-third of the power is reflected from the Silicon dioxide-Germanium interface, one-third is absorbed in the Germanium layer, and one-third is transmitted through the other side of the sample. If the absorption coefficient of Germanium at 600 nm is 3×104 cm-1 and the bandgap is 0.66 eV, the thickness of the Germanium layer, rounded off to 3 decimal places, is... μm.

Ques 33 GATE 2019
Consider a long-channel MOSFET with a channel length 1 μm and width 10μm. The device parameters are acceptor concentration NA=5×1016 cm-3, electron mobility μn=800 cm2/V-s, oxide capacitance/area Cox=3.45×10-7 F/cm2, threshold voltage VT=0.7 V. The drain saturation current (IDsat) for a gate voltage of 5 V is... mA (rounded off to two decimal places). [ε0=8.854×10-14 F/cm, εSi=11.9]
Ques 34 GATE 2019
In an ideal pn junction with an ideality factor of 1 at T=300 K, the magnitude of the reverse-bias voltage required to reach 75% of its reverse saturation current, rounded off to 2 decimal places, is... mV. [k=1.38×10-23 J/K, h=6.625×10-34 J-s, q=1.602×10-19 C]
Ques 35 GATE 2019
Which one of the following functions is analytic over the entire complex plane?
Ques 36 GATE 2019
The families of curves represented by the solution of the equation dy/dx = -(x/y)n for n=-1 and n=+1, respectively, are
Ques 37 GATE 2019
The value of the contour integral
(1/2πj)∮ (z+1/z)2dz
evaluated over the unit circle |z|=1 is
Ques 38 GATE 2019
The number of distinct eigenvalues of the matrix

Ques 39 GATE 2019
If X and Y are random variables such that E[2X+Y]=0 and E[X+2Y]=3, then E[X]+E[Y]=
Total Unique Visitors