Electronics & Communication Gate Yearwise
Electronics and Communication Gate 2016 Set-2 Questions with Answer
Ques 53 GATE 2016 SET-2
An 8 Kbyte ROM with an active low Chip Select input (CS) is to be used in an 8085 microprocessor based system. The ROM should occupy the address range 1000H to 2FFFH. The address lines are designated as A15 to A0, where A15 is the most significant address bit. Which one of the following logic expressions will generate the correct CS signal for this ROM?
Ques 54 GATE 2016 SET-2
In the circuit shown below, VS is a constant voltage source and IL is a constant current load.

Ques 55 GATE 2016 SET-2
The switch has been in position 1 for a long time and abruptly changes to position 2 at t=0.

Ques 56 GATE 2016 SET-2
The figure shows an RLC circuit with a sinusoidal current source.

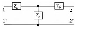
Ques 57 GATE 2016 SET-2
The z-parameter matrix for the two-port network shown is [[2jω,jω],[jω,3+2jω]] where the entries are in Ω. Suppose Zb(jω)=Rb+jω.

Ques 58 GATE 2016 SET-2
In the given circuit, each resistor has a value equal to 1 Ω.

Ques 59 GATE 2016 SET-2
In the circuit shown in the figure, the magnitude of the current (in amperes) through R2 is __________.

Ques 60 GATE 2016 SET-2
The switch S in the circuit shown has been closed for a long time. It is opened at time t=0 and remains open after that. Assume that the diode has zero reverse current and zero forward voltage drop. The steady state magnitude of the capacitor voltage VC (in volts) is

Ques 61 GATE 2016 SET-2
Two random variables X and Y are distributed according to

Ques 62 GATE 2016 SET-2
Consider a random process X(t)=3V(t)-8, where V(t) is a zero mean stationary random process with autocorrelation Rv(τ)=4e-5|τ|. The power in X(t) is
Ques 63 GATE 2016 SET-2
The energy of the signal x(t)=sin(4πt)/(4πt) is
Ques 64 GATE 2016 SET-2
A continuous-time filter with transfer function H(s)=(2s+6)/(s2+6s+8) is converted to a discrete-time filter with transfer function G(z)=(2z2-0.5032z)/(z2-0.5032z+k) so that the impulse response of the continuous-time filter, sampled at 2 Hz, is identical at the sampling instants to the impulse response of the discrete time filter. The value of k is
Ques 65 GATE 2016 SET-2
The Discrete Fourier Transform (DFT) of the 4-point sequence x[n] = {x[0], x[1], x[2], x[3]}={3,2,3,4} is X[k]={X[0],X[1],X[2],X[3]}={12,2j,0,-2j}. If X1[k] is the DFT of the 12-point sequence x1[n]={3,0,0,2,0,0,3,0,0,4,0,0}, the value of |X1[8]/X1[11]| is
Total Unique Visitors