Electronics & Communication Gate Yearwise
Electronics and Communication Gate 2013 Set-3 Questions with Answer
Ques 40 GATE 2013 SET-3
The minimum eigenvalue of the following matrix is

Ques 41 GATE 2013 SET-3
Let A be an m×n matrix and B an n×m matrix. It is given that determinant(Im + AB) = determinant(In + BA), where Ik is the k×k identity matrix. Using the above property, the determinant of the matrix given below is
[2 1 1 1]
[1 2 1 1]
[1 1 2 1]
[1 1 1 2]
Ques 42 GATE 2013 SET-3
For 8085 microprocessor, the following program is executed.
MVI A, 05H;
MVI B, 05H;
PTR: ADD B;
DCR B;
JNZ PTR;
ADI 03H;
HLT;
At the end of program, accumulator contains
Ques 43 GATE 2013 SET-3
Consider a delta connection of resistors and its equivalent star connection as shown below. If all elements of the delta connection are scaled by a factor k, k > 0, the elements of the corresponding star equivalent will be scaled by a factor of

Ques 44 GATE 2013 SET-3
A source vs(t) = V cos100πt has an internal impedance of (4 + j3) Ω. If a purely resistive load connected to this source has to extract the maximum power out of the source, its value in Ω should be
Ques 45 GATE 2013 SET-3
The transfer function V2(s)/V1(s) of the circuit shown below is

Ques 46 GATE 2013 SET-3
Two magnetically uncoupled inductive coils have Q factors q1 and q2 at the chosen operating frequency. Their respective resistances are R1 and R2. When connected in series, their effective Q factor at the same operating frequency is
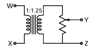
Ques 47 GATE 2013 SET-3
The following arrangement consists of an ideal transformer and an attenuator which attenuates by a factor of 0.8. An ac voltage VWX1 = 100V is applied across WX to get an open circuit voltage VYZ1 across YZ. Next, an ac voltage VYZ2 = 100V is applied across YZ to get an open circuit voltage VWX2 across WX. Then, VYZ1/VWX1, VWX2/VYZ2 are respectively,

Ques 48 GATE 2013 SET-3
In the circuit shown below, if the source voltage VS = 100∠53.13° V then the Thevenin's equivalent voltage in Volts as seen by the load resistance RL is

Ques 49 GATE 2013 SET-3
Three capacitors C1, C2 and C3 whose values are 10μF, 5μF, and 2μF respectively, have breakdown voltages of 10V, 5V, and 2V respectively. For the interconnection shown below, the maximum safe voltage in Volts that can be applied across the combination, and the corresponding total charge in μC stored in the effective capacitance across the terminals are respectively,

Ques 50 GATE 2013 SET-3
Consider the following figure

Ques 51 GATE 2013 SET-3
Consider the following figure

Ques 52 GATE 2013 SET-3
Let U and V be two independent zero mean Gaussian random variables of variances 1/4 and 1/9 respectively. The probability P(3V ≥ 2U) is
Total Unique Visitors