Electronics & Communication Gate Yearwise
Electronics and Communication Gate 2015 Set-2 Questions with Answer
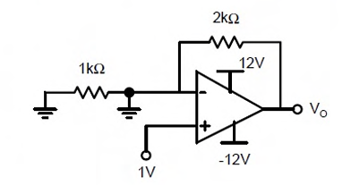
Ques 40 GATE 2015 SET-2
Assuming that the opamp in the circuit shown below is ideal, the output voltage V0 (in volts) is __________.

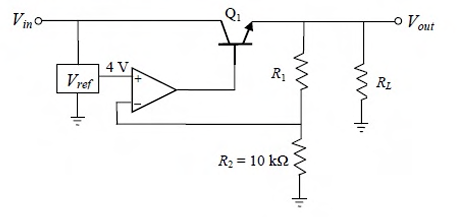
Ques 41 GATE 2015 SET-2
For the voltage regulator circuit shown, the input voltage (Vin) is 20 V ± 20% and the regulated output voltage (Vout) is 10 V. Assume the opamp to be ideal. For a load RL drawing 200 mA, the maximum power dissipation in Q1 (in Watts) is __________.

Ques 42 GATE 2015 SET-2
In the ac equivalent circuit shown, the two BJTs are biased in active region and have identical parameters with β ≫≫ 1. The open circuit small signal voltage gain is approximately __________.

Ques 43 GATE 2015 SET-2
Input x(t) and output y(t) of an LTI system are related by the differential equation y″″(t) − y″(t) − 6y(t) = x(t). If the system is neither causal nor stable, the impulse response h(t) of the system is
Ques 44 GATE 2015 SET-2
Consider two real sequences with time-origin marked by the bold value, x1[n] = {1, 2, 3, 0}, x2[n] = {1, 3, 2, 1}. Let X1(k) and X2(k) be 4-point DFTs of x1[n] and x2[n] respectively. Another sequence x3[n] is derived by taking 4-point inverse DFT of X3(k) = X1(k)X2(k). The value of x3[2] is __________.
Ques 45 GATE 2015 SET-2
Let x(t) = α s(t) + s(−t) with s(t) = β e−4tu(t), where u(t) is unit step function. If the bilateral Laplace transform of x(t) is X(s) = 16⁄s2−16, −4 < Re{s} < 4, then the value of α − β is __________.
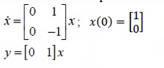
Ques 46 GATE 2015 SET-2
The state variable representation of a system is given as

Ques 47 GATE 2015 SET-2
The output of a standard second-order system for a unit step input is given as y(t) = 1 − 2⁄√3e−tcos(√3t − π⁄6). The transfer function of the system is
Ques 48 GATE 2015 SET-2
The transfer function of a mass-spring-damper system is given by G(s) = 1⁄Ms2+Bs+K. The frequency response data for the system are given in the following table.

Ques 49 GATE 2015 SET-2
A zero mean white Gaussian noise having power spectral density N0⁄2 is passed through an LTI filter whose impulse response h(t) is shown in the figure. The variance of the filtered noise at t=4 is

Ques 50 GATE 2015 SET-2
{Xn}n=−∞n=∞ is an independent and identically distributed (i.i.d.) random process with Xn equally likely to be +1 or −1. {Yn}n=−∞n=∞ is another random process obtained as Yn = Xn + 0.5 Xn−1. The autocorrelation function of {Yn}n=−∞n=∞, denoted by RY[k], is
Ques 51 GATE 2015 SET-2
Consider a binary, digital communication system which uses pulses g(t) and −g(t) for transmitting bits over an AWGN channel. If the receiver uses a matched filter, which one of the following pulses will give the minimum probability of bit error?
Ques 52 GATE 2015 SET-2
Let X ∈ {0,1} and Y ∈ {0,1} be two independent binary random variables. If P(X=0)=p and P(Y=0)=q, then P(X+Y ≥ 1) is equal to
Total Unique Visitors