Electronics & Communication Gate Yearwise
Electronics and Communication Gate 2022 Questions with Answer
Ques 27 Gate 2022
Select the Boolean function(s) equivalent to ๐ฅ + ๐ฆ๐ง, where ๐ฅ, ๐ฆ, and ๐ง are Boolean variables, and + denotes logical OR operation.
Ques 28 GATE 2022
Consider the 2-bit multiplexer (MUX) shown in the figure. For OUTPUT to be the XOR of C and D, the values for A0, A1, A2, and A3 are ____________.

Ques 29 GATE 2022
For the circuit shown, the clock frequency is f0 and the duty cycle is 25%. For the signal at the Q output of the Flip-Flop, _______.

Ques 30 GATE 2022
A waveguide consists of two infinite parallel plates (perfect conductors) at a separation of 10โ4 cm, with air as the dielectric. Assume the speed of light in air to be 3 ร 108 m/s. The frequency/frequencies of TM waves which can propagate in this waveguide is/are _______.
Ques 31 Gate 2022
In a circuit, there is a series connection of an ideal resistor and an ideal capacitor. The conduction current (in Amperes) through the resistor is 2sin(๐ก + ๐/2). The displacement current (in Amperes) through the capacitor is _________.
Ques 32 GATE 2022
In an electrostatic field, the electric displacement density vector, Dโ, is given by
Dโ(x, y, z) = (x3 รฎ + y3 ฤต + xy2 kฬ) C/m2,
where รฎ, ฤต, kฬ are the unit vectors along x-axis, y-axis, and z-axis, respectively.
Consider a cubical region R centered at the origin with each side of length 1 m, and vertices at (ยฑ0.5 m, ยฑ0.5 m, ยฑ0.5 m). The electric charge enclosed within R is _________ C (rounded off to two decimal places).
Ques 33 GATE 2022
A linear 2-port network is shown in Fig. (a). An ideal DC voltage source of 10 V is connected across Port 1. A variable resistance R is connected across Port 2. As R is varied, the measured voltage and current at Port 2 is shown in Fig. (b) as a V2 versus โI2 plot. Note that for V2 = 5 V, I2 = 0 mA, and for V2 = 4 V, I2 = โ4 mA.
When the variable resistance R at Port 2 is replaced by the load shown in Fig. (c), the current I2 is _______ mA (rounded off to one decimal place).

Ques 34 GATE 2022
The current I in the circuit shown is ________.

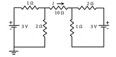
Ques 35 GATE 2022
Consider the circuit shown in the figure. The current I flowing through the 10 ฮฉ resistor is _______

Ques 36 GATE 2022
For the circuit shown, the locus of the impedance Z(jฯ) is plotted as ฯ increases from zero to infinity. The values of R1 and R2 are:

Ques 37 GATE 2022
Consider the circuit shown in the figure with input V(t) in volts. The sinusoidal steady state current I(t) flowing through the circuit is shown graphically (where t is in seconds). The circuit element Z can be ________.

Ques 38 GATE 2022
A p-type semiconductor with zero electric field is under illumination (low level injection) in steady state condition. Excess minority carrier density is zero at x = ยฑ2ln, where ln = 10โ4 cm is the diffusion length of electrons. Assume electronic charge, q = โ1.6 ร 10โ19 C. The profiles of photo-generation rate of carriers and the recombination rate of excess minority carriers (R) are shown. Under these conditions, the magnitude of the current density due to the photo-generated electrons at x = +2ln is _________ mA/cm2 (rounded off to two decimal places).

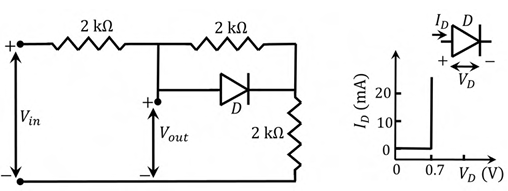
Ques 39 GATE 2022
A circuit and the characteristics of the diode (D) in it are shown. The ratio of the minimum to the maximum small signal voltage gain โVout/โVin is ________ (rounded off to two decimal places).

Total Unique Visitors