Electronics & Communication Gate Yearwise
Electronics and Communication Gate 2017 Set-1 Questions with Answer
Ques 53 GATE 2017 SET-1
The clock frequency of an 8085 microprocessor is 5 MHz. If the time required to execute an instruction is 1.4 μs, then the number of T-states needed for executing the instruction is
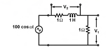
Ques 54 GATE 2017 SET-1
In the circuit shown, the positive angular frequency ω (in radians per second) at which the magnitude of the phase difference between the voltages V1 and V2 equals π/4 radians, is

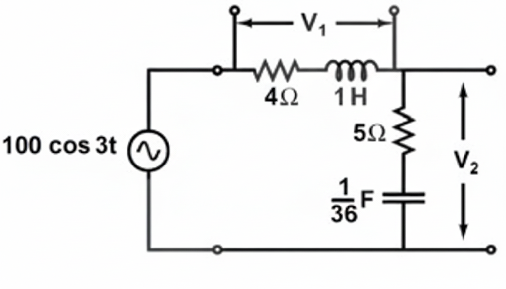
Ques 55 GATE 2017 SET-1
The figure shows an RLC circuit excited by the sinusoidal voltage 100cos(3t) Volts, where t is in seconds.

Ques 56 GATE 2017 SET-1
In the circuit shown, the voltage VIN(t) is described by:


Ques 57 GATE 2017 SET-1
Let (X1,X2) be independent random variables. X1 has mean 0 and variance 1, while X2 has mean 1 and variance 4. The mutual information I(X1;X2) between X1 and X2 in bits is
Ques 58 GATE 2017 SET-1
Let X(t) be a wide sense stationary random process with the power spectral density SX(f) as shown in Figure (a), where f is in Hertz (Hz). The random process X(t) is input to an ideal lowpass filter with the frequency response


I. E(X(t))=E(Y(t))
II. E(X2(t))=E(Y2(t))
III. E(Y2(t))=2
Select the correct option:
Ques 59 GATE 2017 SET-1
A continuous time signal x(t)=4cos(200πt)+8cos(400πt)., where t is in seconds, is the input to a linear time invariant (LTI) filter with the impulse response h(t)=2sin(300πt)/(πt), t≠0 and 600, t=0. Let y(t) be the output of this filter. The maximum value of |y(t)| is
Ques 60 GATE 2017 SET-1
Consider the following statements for continuous-time linear time invariant (LTI) systems.
I. There is no bounded input bounded output (BIBO) stable system with a pole in the right half of the complex plane.
II. There is no causal and BIBO stable system with a pole in the right half of the complex plane.
Which one among the following is correct?
Ques 61 GATE 2017 SET-1
Consider a single input single output discrete-time system with x[n] as input and y[n] as output. where the two are related as

Ques 62 GATE 2017 SET-1
A periodic signal x(t) has a trigonometric Fourier series expansion x(t)=a0+∑n=1∞(ancos nω0t+bnsin nω0t) If x(t)=-x(-t)=-x(t-π/ω0). we can conclude that
Ques 63 GATE 2017 SET-1
Let x(t) be a continuous time periodic signal with fundamental period T=1 seconds. Let {ak} be the complex Fourier series coefficients of x(t) where k is integer valued. Consider the following statements about x(3t)
I. The complex Fourier series coefficients of x(3t) are {ak} where k is integer valued
II. The complex Fourier series coefficients of x(3t) are {3ak} where k is integer valued
III. The fundamental angular frequency of x(3t) is 6π rad/s
For the three statements above, which one of the following is correct?
Ques 64 GATE 2017 SET-1
Two discrete-time signals x[n] and h[n] are both non-zero only for n=0,1,2, and are zero otherwise. It is given that x[0]=1, x[1]=2, x[2]=1, h[0]=1. Let y[n] be the linear convolution of x[n] and h[n]. Given that y[1]=3 and y[2]=4, the value of the expression (10y[3]+y[4]) is
Ques 65 GATE 2017 SET-1
Let h[n] be the impulse response of a discrete-time linear time invariant (LTI) filter. The impulse response is given by h[0]=1/3, h[1]=1/3, h[2]=1/3; and h[n]=0 for n<0 and n>2. Let H(ω) be the discrete-time Fourier transform (DTFT) of h[n], where ω is the normalized angular frequency in radians. Given that H(ω0)=0 and 0<ω0<π. the value of ω0 (in radians) is equal to
Total Unique Visitors