Electrical Engineering Gate Yearwise
Electrical Gate 2024
Electrical Gate 2023
Electrical Gate 2022
Electrical Gate 2021
Electrical Gate 2020
Electrical Gate 2019
Electrical Gate 2018
Electrical Gate 2017 (Set 1)
Electrical Gate 2017 (Set 2)
Electrical Gate 2016 (Set 1)
Electrical Gate 2016 (Set 2)
Electrical Gate 2015 (Set 1)
Electrical Gate 2015 (Set 2)
Electrical Gate 2014 (Set 1)
Electrical Gate 2014 (Set 2)
Electrical Gate 2014 (Set 3)
Electrical Gate 2013 (Set 1)
Electrical Gate 2013 (Set 2)
Electrical Gate 2013 (Set 3)
Electrical Engineering Gate 2013 Set-1 Questions with Answer
Ques 40 GATE 2013 SET-1
When the Newton-Raphson method is applied to solve the equation f(x) = x3 + 2x - 1 = 0, the solution at the end of the first iteration with the initial guess value as x0 = 1.2 is
Ques 41 GATE 2013 SET-1
Statement: You can always give me a ring whenever you need.
Which one of the following is the best inference from the above statement?
Ques 42 GATE 2013 SET-1
Statement: There were different streams of freedom movements in colonial India carried out by the
moderates, liberals, radicals, socialists, and so on.
Which one of the following is the best inference from the above statement?
Ques 43 GATE 2013 SET-1
The separately excited dc motor in the figure below has a rated armature current of 20 A and a rated armature voltage of 150 V. An ideal chopper switching at 5 kHz is used to control the armature voltage. If L<sub>a</sub> = 0.1 mH, R<sub>a</sub> = 1 Ω, neglecting armature reaction, the duty ratio of the chopper to obtain 50% of the rated torque at the rated speed and the rated field current is

Ques 44 GATE 2013 SET-1
A thyristor T in the figure below is initially off and is triggered with a single pulse of width 10 μs. It is given that L = 100μH/π, C = 100μF/π. Assuming latching and holding currents of the thyristor are both zero and the initial charge on C is zero, T conducts for

Ques 45 GATE 2013 SET-1
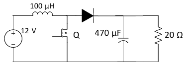
In the figure shown below, the chopper feeds a resistive load from a battery source. MOSFET Q is switched at 250 kHz, with a duty ratio of 0.4. All elements of the circuit are assumed to be ideal.

Ques 46 GATE 2013 SET-1
In the figure shown below, the chopper feeds a resistive load from a battery source. MOSFET Q is switched at 250 kHz, with a duty ratio of 0.4. All elements of the circuit are assumed to be ideal.

Ques 47 GATE 2013 SET-1
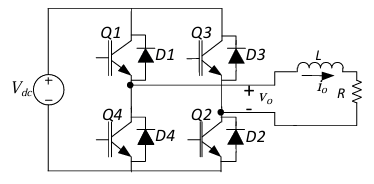
The Voltage Source Inverter (VSI) shown in the figure below is switched to provide a 50 Hz, square-wave ac output voltage (vo) across an R-L load. Reference polarity of vo and reference direction of the output current io are indicated in the figure. It is given that R = 3 Ω, L=9.55 mH.

Ques 48 GATE 2013 SET-1
The Voltage Source Inverter (VSI) shown in the figure below is switched to provide a 50 Hz, square-wave ac output voltage (vo) across an R-L load. Reference polarity of vo and reference direction of the output current io are indicated in the figure. It is given that R = 3 Ω, L=9.55 mH.

Ques 49 GATE 2013 SET-1
For a power system network with n nodes, Z<sub>33</sub> of its bus impedance matrix is j0.5 per unit. The voltage at node 3 is 1.3 ∠-10° per unit. If a capacitor having reactance of -j3.5 per unit is now added to the network between node 3 and the reference node, the current drawn by the capacitor per unit is
Ques 50 GATE 2013 SET-1
In the following network, the voltage magnitudes at all buses are equal to 1 p.u., the voltage phase angles are very small, and the line resistances are negligible. All the line reactances are equal to j1Ω.

Ques 51 GATE 2013 SET-1
In the following network, the voltage magnitudes at all buses are equal to 1 p.u., the voltage phase angles are very small, and the line resistances are negligible. All the line reactances are equal to j1Ω.

Ques 52 GATE 2013 SET-1
In the summer of 2012, in New Delhi, the mean temperature of Monday to Wednesday was 41°C and of Tuesday to Thursday was 43°C. If the temperature on Thursday was 15% higher than that of Monday, then the temperature in °C on Thursday was
Total Unique Visitors