Aerospace Engineering Gate Yearwise
Aerospace Gate 2024
Aerospace Gate 2023
Aerospace Gate 2022
Aerospace Gate 2021
Aerospace Gate 2020
Aerospace Gate 2019
Aerospace Gate 2018
Aerospace Gate 2017
Aerospace Gate 2016
Aerospace Gate 2015
Aerospace Gate 2014
Aerospace Gate 2013
Aerospace Gate 2012
Aerospace Gate 2011
Aerospace Gate 2010
Aerospace Gate 2009
Aerospace Engineering Gate 2015 Questions with Answer
Ques 27 GATE 2015
The two non-zero principal stresses at a point in a thin plate are σ1=25MPa and σ2=-25MPa. The maximum shear stress (in MPa) at this point is
Ques 28 GATE 2015
A 0.5 kg mass is suspended vertically from a point fixed on the Earth by a spring having a stiffness of 5 N/mm. The static displacement (in mm) of the mass is
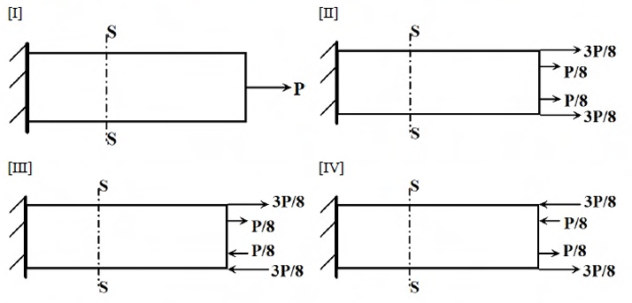
Ques 29 GATE 2015
A slender structure is subjected to four different loading cases (I, II, III and IV) as shown below (Figures not to scale). Which pair of cases results in identical stress distribution at section S-S located far away from both ends?

Ques 30 GATE 2015
The 2-D stress state at a point P in the x-y coordinate system is
The magnitude of the tangential stress (in MPa) on a surface normal to the x-axis at P is
Ques 31 GATE 2015
A cube made of a linear elastic isotropic material is subjected to a uniform hydrostatic pressure of 100 N/mm2. Under this load, the volume of the cube shrinks by 0.05%. The Young's modulus of the material, E=300 GPa The Poisson's ratio of the material is
Ques 32 GATE 2015
A massless cantilever beam PQ has a solid square cross section (10 mm×10 mm). This beam is subjected to a load W through a rigid massless link at the point Q, as shown below (figure not to scale). If the Young's modulus of the material E=200 GPa, the deflection (in mm) at point Q is

Ques 33 GATE 2015
The thin rectangular tube shown below is made of a material with shear modulus, G=80 GPa. The shear flow is calculated based on the mid-thickness dimensions. If the free end is allowed to twist no more than 0.0727 rad, then the maximum torque (in Nm) which the tube can be subjected to at its free end is

Ques 34 GATE 2015
A 200 mm long simply-supported column has a 5 mm×10 mm rectangular cross section. The Young's modulus of the material, E=200 GPα Assuming a factor of safety of 2.5 corresponding to the buckling load, the maximum load (in N) the column can support in compression is
Ques 35 GATE 2015
The partial differential equation ∂u/∂t+∂(u2/2)/∂x=0.is
Ques 36 GATE 2015
The system of equations for the variables x and y
a x+b by y=e
c x+d y=f
has a unique solution only if
Ques 37 GATE 2015
The function y=x3-x has
Ques 38 GATE 2015
In the solution of d2y/dx2-2dy/dx+y=0 if the values of the integration constants are identical and one of the initial conditions is specified as y(0)=1, the other initial condition y'(0)=_______
Ques 39 GATE 2015
For x>0, the general solution of the differential equation dy/dx=1-2y asymptotically approaches
Total Unique Visitors