Mechanical Engineering > GATE 2017 SET-2 > Balancing
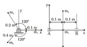
Three masses are connected to a rotating shaft supported on bearings A and B as shown in the figure. The system is in a space where the gravitational effect is absent. Neglect the mass of shaft and rods connecting the masses. For m1=10 kg, m2=5 kg and m3=2.5 kg and for a shaft angular speed of 1000 radian/s, the magnitude of the bearing reaction (in N) at location B is ________.


Correct : 0
Similar Questions
A slider crank mechanism has slider mass of 10 kg, stroke of 0.2 m and rotates with a uniform angular velocity of 10 rad/s. The primary inertia forces of the sl...
In the context of balancing of rotating and reciprocating masses, which one of the following options is true?
After playing _________ hours of tennis, I am feeling _________ tired to walk back.
Total Unique Visitors
Loading......