EC > GATE 2016 SET-2 > Op-Amp Circuits
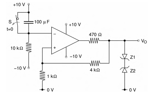
In the opamp circuit shown, the Zener diodes Z1 and Z2 clamp the output voltage V0 to +5 V or -5 V. The switch S is initially closed and is opened at time t=0. The time t=t1 (in seconds) at which V0 changes state is

Explanation
Correct : 0.8
Similar Questions
What is the worst-case time complexity of insertion in an AVL tree?
Which operations on a binary search tree have O(h) complexity?
Compare search complexities of sorted array vs balanced BST.