EC > GATE 2014 SET-1 > Sequential Circuits
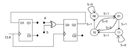
The digital logic shown in the figure satisfies the given state diagram when Q1 is connected to input A of the XOR gate.
Suppose the XOR gate is replaced by an XNOR gate. Which one of the following options preserves the state diagram?

Correct : d
Similar Questions
The sequence of states $(Q_1 Q_0)$ of the given synchronous sequential circuit is
The synchronous sequential circuit shown below works at a clock frequency of 1 GHz. The throughput, in Mbits/s, and the latency, in ns, respectively, are
In a given sequential circuit, initial states are Q1 = 1 and Q2 = 0. For a clock frequency of 1 MHz, the frequency of signal Q2 in kHz, is ____ (rounded off to...
Total Unique Visitors
Loading......