Chemical Engineering > GATE 2022 > Feedforward Control
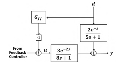
The appropriate feedforward compensator, 𝐺ff , in the shown block diagram is


Correct : a
Similar Questions
Inhaling the smoke from a burning _________ could _________ you quickly.
A sphere of radius 𝑟 cm is packed in a box of cubical shape.
What should be the minimum volume (in cm3 ) of the box that can enclose the
sphere?
Pipes P and Q can fill a storage tank in full with water in 10 and 6 minutes,
respectively. Pipe R draws the water out from the storage tank at a rate of 34...
Total Unique Visitors
Loading......